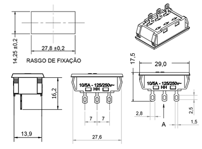
Código: EX-1036
- Amperagem: 10A - 125V | 5A - 250V
- Cor: PT | VM
- Polo: 1
- Saída: Solda
Design:
- Desenvolvido com pinos para solda e encaixe rápido.
- Corpo plástico de engenharia auto extinguível com laminas e contatos em liga de cobre.
Especificações Tecnicas:
- Dimensões em milimetros: mm
- Rasgo de Fixação: 27,8 x 14,25


Exatronic Ind. e Com. LTDA. 2026 © Todos os direitos reservados.